Opel Team Serbia

Opel Team Serbia

Mesto za prave ljubitelje Opela
Danas je 12 Nov 2025 08:32

Sva vremena su u UTC + 1 sat [ DST ]




Započni novu temu Odgovori na temu  [ 8 Posta ] 
Autoru Poruka
 Tema posta: Vectra C Sema Konektor svetla
PostPoslato: 01 Nov 2025 17:50 
OffLine
1st Gear
Korisnikov avatar

Pridružio se: 24 Mar 2013 22:30
Postovi: 76
Lokacija: Loznica Grad
Ime: Ivan
Opel: Vectra C Karavan
ima li neko semu konetora tj za sta je koja zica po bojama za prednja svetla na vectri c restajling?
treba mi da znam sta je pozicija i zmigavac


Vrh
 Profil  
 
 Tema posta: Re: Vectra C Sema Konektor svetla
PostPoslato: 04 Nov 2025 09:56 
OffLine
5th Gear
Korisnikov avatar

Pridružio se: 26 Feb 2017 22:01
Postovi: 452
Lokacija: Banja Luka
Ime: Djordje
Opel: Astra H 1.6
koje godište koji motor? Možda mogu naći u TIS-u


Vrh
 Profil  
 
 Tema posta: Re: Vectra C Sema Konektor svetla
PostPoslato: 04 Nov 2025 10:14 
OffLine
5th Gear
Korisnikov avatar

Pridružio se: 26 Feb 2017 22:01
Postovi: 452
Lokacija: Banja Luka
Ime: Djordje
Opel: Astra H 1.6
Evo komplet šeme, samo mi moraš napisati koje farove imaš (xenon, AFL) zbog konektora ima milion opcija

Slika
Žuto - pozicija lijevo
Crveno - žmigavac lijevo

Samo žmigavci:
Slika

Konektori žmigavaca:
Slika

Ako treba još šta detaljnije piši pa ćemo naći.
Uzdravlje!
G


Vrh
 Profil  
 
 Tema posta: Re: Vectra C Sema Konektor svetla
PostPoslato: 05 Nov 2025 00:24 
OffLine
1st Gear
Korisnikov avatar

Pridružio se: 24 Mar 2013 22:30
Postovi: 76
Lokacija: Loznica Grad
Ime: Ivan
Opel: Vectra C Karavan
1.9cdti 110kw, 2005god restajling
obicni farovi sa socivima
Slika


Vrh
 Profil  
 
 Tema posta: Re: Vectra C Sema Konektor svetla
PostPoslato: 06 Nov 2025 19:57 
OffLine
1st Gear
Korisnikov avatar

Pridružio se: 24 Mar 2013 22:30
Postovi: 76
Lokacija: Loznica Grad
Ime: Ivan
Opel: Vectra C Karavan
za sta je koja boja?

Slika


Vrh
 Profil  
 
 Tema posta: Re: Vectra C Sema Konektor svetla
PostPoslato: 10 Nov 2025 13:49 
OffLine
5th Gear
Korisnikov avatar

Pridružio se: 26 Feb 2017 22:01
Postovi: 452
Lokacija: Banja Luka
Ime: Djordje
Opel: Astra H 1.6
Pozdrav,
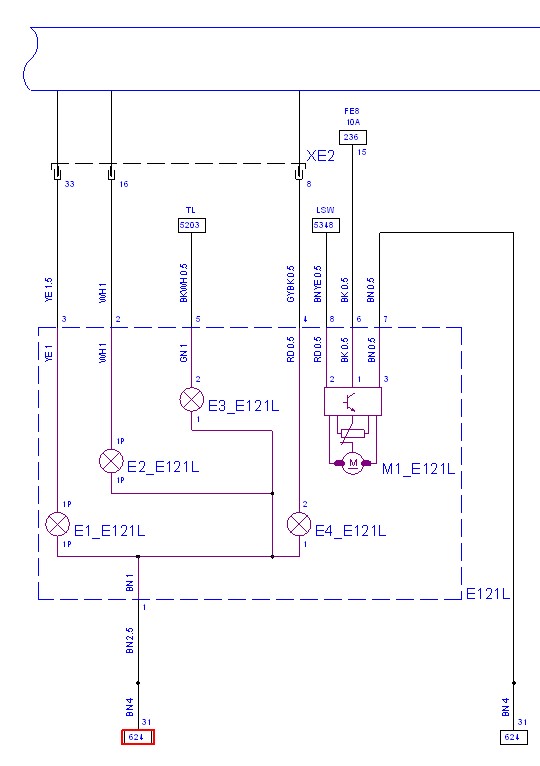
Ovo je blok šema za non-xenon (obične farove):
Slika

Ovo je opis svake žice (koliko sam vidio imaju sve kao kod tebe, pogledaj skraćenice)
Slika

Ovo je konektor
Slika

Imaš koliko vidim 8 žica:
2 (white : left headlamp high beam control),3 (yellow : left headlamp low beam control) ,4 (gray-black : left park lamp control) idu ka UEC,
1 (brown) - Ground
5 (black-white : Left front turn signal lamp control) - turn signal lamp
8 (brown-yellow : Head lamp leveling switch bit 1 signal) - light switch
6 (black) - Ignition voltage
7 (brown) - Ground

Javi jesi li sredio.
Uzdravlje!
G


Vrh
 Profil  
 
 Tema posta: Re: Vectra C Sema Konektor svetla
PostPoslato: 10 Nov 2025 19:33 
OffLine
1st Gear
Korisnikov avatar

Pridružio se: 24 Mar 2013 22:30
Postovi: 76
Lokacija: Loznica Grad
Ime: Ivan
Opel: Vectra C Karavan
Hvala od srca
I ako mozes da mi kazes odakle skidas seme


Vrh
 Profil  
 
 Tema posta: Re: Vectra C Sema Konektor svetla
PostPoslato: 11 Nov 2025 11:08 
OffLine
5th Gear
Korisnikov avatar

Pridružio se: 26 Feb 2017 22:01
Postovi: 452
Lokacija: Banja Luka
Ime: Djordje
Opel: Astra H 1.6
TIS2000, neko mi je dao prije 10-tak godina ovdje na forumu (bilo je nekada u dijelu foruma vezano za dijagnostiku, pregledaj podteme)
Uzdravlje!
G


Vrh
 Profil  
 
Prikaži postove u poslednjih:  Poređaj po  
Započni novu temu Odgovori na temu  [ 8 Posta ] 

Sva vremena su u UTC + 1 sat [ DST ]


Ko je OnLine

Korisnici koji su trenutno na forumu: Nema registrovanih korisnika i 3 gostiju


Ne možete postavljati nove teme u ovom forumu
Ne možete odgovarati na teme u ovom forumu
Ne možete monjati vaše postove u ovom forumu
Ne možete brisati vaše postove u ovom forumu

Pronađi:
Idi na:  
Powered by phpBB® Forum Software © phpBB Group
Prevod - www.CyberCom.rs